◆产品说明 ◆本系列产品适用于防雷区域PZOB区于LPZ1区至LPZ2(C级或Ⅱ级)电源线路的
雷电及电涌的防护。 ◆本产品核心器件采用新大容量浪涌吸收元件MOV,经严格筛选,质量稳定。 ◆产品具有通流量大、输出残压低、对过电压响应快速(动作时间小于25ns)等优
点,能有效地保护用电设备。 ◆加装失效脱扣装置,当保护器因过热、击穿失效时,能自动将其从电网脱离。 ◆本系列产品功能齐全,模块化封装,标准35mm宽电气安装导轨,方便安装更换。 ◆外壳为增强阻燃PBT材料,符合电气安全标准。 ◆可附加报警遥信
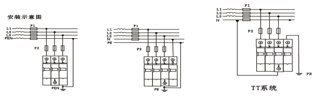
◆产品安装位置与应用 ◆C级模块系列通常安装于LPZOB或LPZ1区域或LPZ2区交界处,即Ⅱ级,通常安
装在分配电柜、箱内。 ◆由单极结合成各种配置,适用于TN-S、TN-C、TN-C-S、TT、IT等供电系统。 ◆广泛用于电源第二级雷电保护。通常安装在分配电柜处;楼层配电箱、计算机中
心、电信机房、保安监控中心、有线电视机房、楼宇自控室、电梯控制室、消防
中心、工业自控医院手术室、监护室及装有电子医疗设备的配电箱内;也可安装
在六层以下住宅照总配电箱和分散型别墅的住房配电箱内。 ◆电涌保护器前必须加装市售63A熔断器,作为保护器后备保险装置。 ◆保护器适用于室内安装,室外应加防水措施。 ◆所有接线必须BZ牢固及KK电气联络,防雷接地应符合防雷规范要求(接地电
阻推荐不大于10Ω),并且接地线尺量做到短而直(≤0.5米)。导线线径规格
见导线规格表。
◆产品安装位置与应用
|
型号 |
M-SP-B |
|
Z大持续工作电压Uc |
280V,335V,385V,460V ……50Hz/60Hz |
|
限制电压Up(8/20μS,In) |
≤2.2KV |
≤2.5KV |
|
标称放电电流In(8/20μS,) |
30KA |
40KA |
|
Z大放电电流Imax(8/20μS,) |
60KA |
80KA |
|
响应时间 |
≤25ns |
|
Z大后备保险丝强度 |
63A后备保护装置 |
|
接线方式安装 |
并联 |
|
支架安装 |
35mm宽电气安装导轨 |
|
导体截面 |
≥10mm2的多股线(L\N)≥16mm2的多股线(PE) |
|
正常或故障 |
具备 |
|
指示外壳材料 |
增强阻燃PBT |
|
外形尺寸 |
90 x 27 x 62mm |
|
安装宽度 |
1个标准模块 |
|
参考标准 |
|
|
安装位置 |
安装于分配电箱,B级/Ⅱ级 |
 ◆技术规格
|
型号 |
M-SP-D
M-SP-C |
|
Z大持续工作电压Uc |
280V,335V,385V,460V……50Hz/60Hz |
|
限制电压Up(8/20μS,In) |
≤1.2KV
|
≤1.5KV
|
≤1.8KV
|
|
标称放电电流In(8/20μS,) |
5KA |
10KA |
20KA |
|
Z大放电电流Imax(8/20μS,) |
10KA |
20KA |
40KA |
|
响应时间 |
≤25ns |
|
Z大后备保险丝强度 |
63A后备保护装置 |
|
接线方式安装 |
并联 |
|
支架安装 |
35mm宽电气安装导轨 |
|
保护等级 |
|
|
导体截面 |
≥10mm2的多股线(L\N)≥16mm2的多股线(PE) |
|
正常或故障 |
具备 |
|
指示外壳材料 |
增强阻燃PBT |
|
外形尺寸 |
90 x 18 x 62mm |
|
安装宽度 |
1个标准模块 |
|
参考标准 |
|
|
安装位置 |
安装于分配电箱,C\D级/Ⅱ级 | ◆主要电气原理图


| |